产品概述
该冰柜铰链主要解决冰柜门在关闭时容易瞬间闭合、容易夹手。
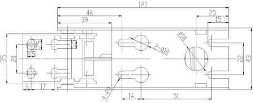
最大开门角度100度,最小停止角度30度,寿命开合测试5万次无异响,10万次无失效。
所有材料均符合欧盟环保标准。
盐雾测试48-96小时。

技术参数
| 编号 | 材料 | 弹簧直径 | 外径(mm) | 圈数 | 长度(mm) | 重量(KG) | 装箱数(只) |
| BD 207D | 冷轧钢DC01 | 无 | 无 | 无 | 无 | 0.17 | 100 |
| Cold rolled steel | |||||||
| BD 127 | 冷轧钢DC01 | φ3.0 | 20 | 8 | 51 | 0.22 | 100 |
| Cold rolled steel | |||||||
| BD 362 | 冷轧钢DC01 | φ4.0 | 22.5 | 8 | 51 | 0.23 | 100 |
| Cold rolled steel | |||||||
| BD 142 | 冷轧钢DC01 | φ3.5 | 20 | 8 | 51 | 0.24 | 100 |
| Cold rolled steel |

