专注铰链研发生产20多年

当前位置:首页-主页-产品中心

冰柜铰链150BS

产品概述

该冰柜铰链主要解决冰柜门在关闭时容易瞬间闭合、容易夹手。          

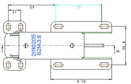
最大开门角度100度,最小停止角度30度,寿命开合测试5万次无异响,10万次无失效。

所有材料均符合欧盟环保标准。

盐雾测试48-96小时。


3-.jpg


技术参数

编号材料弹簧直径外径(mm)圈数长度(mm)重量(KG)装箱数(只)
150BS冷轧钢DC01φ4.0248.7564.40.3140
Cold rolled steel